#50940
Квартира поблизости от Place des Moulins
Вас заинтересовала эта квартира?
Агентство зарубежной недвижимости "EstateService"
Франция, Лазурный Берег, Босолей
- Типапартаменты
- Количество спален2
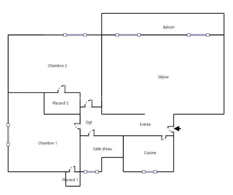
- Общий метраж60 кв. м.
Цена:
395'000 евро
Описание:
Апартаменты на втором (предпоследнем) этаже дома без лифта в 5-ти минутах ходьбы от площади Мулен в Монако. Общая площадь 59.9 m² (жилая 56.4 m²) - прихожая 3.7 m², гостиная-столовая 22 m² с балконом 3.5 m², отдельная кухня 7 m², две спальни 8.2 и 11.3 m² с гардеробными и душевая комната с окном и туалетом. Хорошее состояние, вид на море, высокие потолки. Коммунальные платежи 130 €, годовой налог 687 €.
Дополнительно:
Есть терраса
Вид на море
До пляжа: пешком
Вся инфраструктура рядом
Заявка
на квартиру (подробности,
расположение, визит)
Похожая недвижимость
